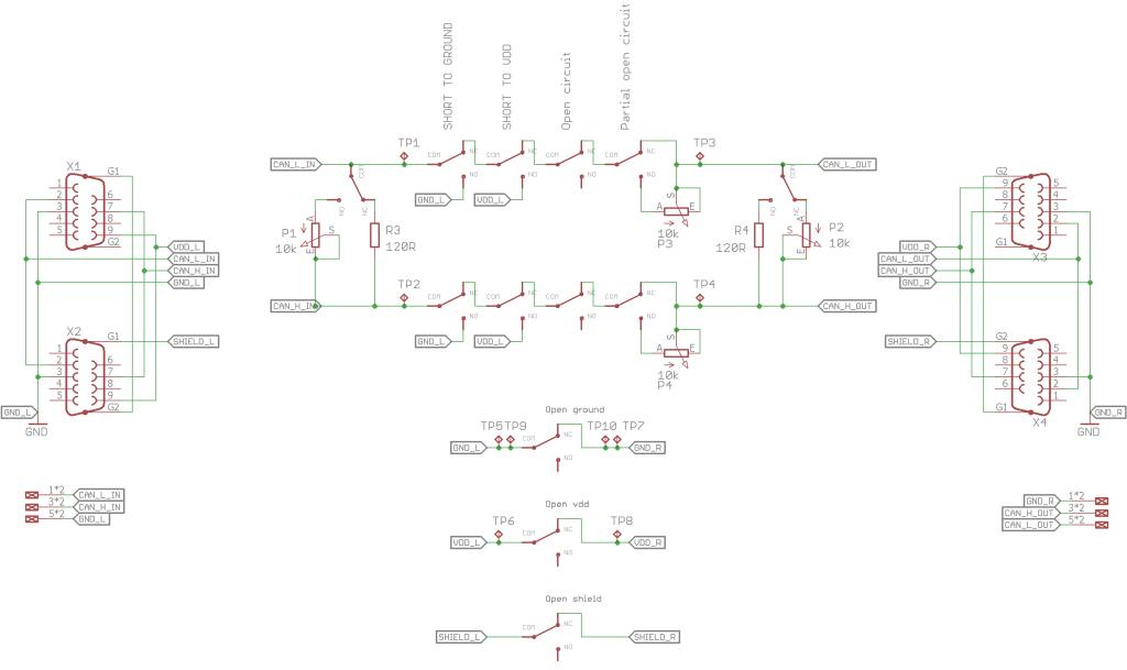
Possible to Inject Faults
- No fault (input and output D-SUB connectors connected without any error)
- Termination resistors (pins 2+7): the value can be changed (potentiometer 0-10 KOhm) / possibility to switch to a fixed 120 Ohm resistor
- CAN_L (pin 2): Short to GND, Short to Vdd, Open, Partially Open (potentiometer 0-10 KOhm)
- CAN_H (pin 7): Short to GND, Short to Vdd, Open, Partially Open (potentiometer 0-10 KOhm)
- CAN_L shorted to CAN_H (a termination resistor of 0 Ohm)
- Vdd open (pin 9)
- Shield open (pin 5)
| Property | Value |
|---|---|
| The information herein is subject to change without notice. | |
| Input Connectors | 2x D-SUB9 F (wired 1:1) |
| Output Connectors | 2x D-SUB9 F (wired 1:1) |
| Dimensions | 100 x 100 mm |
| Terminals for connecting wires of an existing network | |
| Test points for an oscilloscope probe at important signals | |
| Compatible with CAN, CAN FD, FlexRay, RS-485, LIN | |
| 4x adhesive rubber pad at the bottom | |
| Data Sheet |
| Bus Fault Injection Board Data Sheet |
