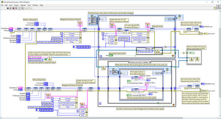
LabVIEW API for PLIN
Couldn't load pickup availability
Orders placed before 2:30 Pacific Time usually ship the same day.
Items are delivered with essential accessories and easy-to-follow instructions.
Questions?
Leveraging the PLIN© API from PEAK-System, the LabVIEW® API for PLIN allows you to exchange CAN messages via CAN 1.0 / 2.0B and CAN FD with the PLIN-USB Adapter or the PCAN-USB Pro FD Adapter. CAN FD is supported by PEAK device driver's version 4 and later. The LabVIEW® API supports LabVIEW® 2014 or later versions.
Please note that in order to use this API, you must first download the PLIN API.
You must install or update the VIP to the most recent version. The VIP file is created with VIP2017.
For more information, please see the Product Brief.
- Type CAN Software
- Vendor KDI Digital Instrumentation
- SKU KDI-PLIN
Order by 2:30PM Pacific Standard Time to get delivery sent out same day!
Your product is covered by a 12 month Warranty or more if you opted for the extended warranty. Make sure you register your product.
